Darlington Transistor Vs Fet
If you choose a darlington or a pair of 2n2222s and a 680r resistor youre done after doing the calculations above for about 25 cents. If there are 2 very good 1000 watt 2ch amps that are both ab amps.

Power Semiconductors Part 2

Tip120 Power Darlington Transistors 3 Pack Id 976 2 50

Transistors Fets Darlington Pairs
Darlington transistors are an old technology that has been largely superseded.

Darlington transistor vs fet. The darlington transistor named after its inventor sidney darlington is a special arrangement of two standard npn or pnp bipolar junction transistors bjt connected together. A 120 deg f rise in the tip120. The tip120 is an npn darlington power transistor.
Your on voltage will be defined by the mosfet on resistance. If you choose a mosfet with a current rating of 400 ma or more at a gate voltage of 5v or less youre done at maybe 50 cents. Transistor turned to heat went from 103 w in the tp120 to 031 w in the mosfet.
It can switch loads up to 60 volts with a peak current of 8 amperes and a continuous current of 5 amperes. For equal collector currents this drawback translates to an increase in the dissipated power for the darlington transistor over a single transistor. Transistor tutorial summary we can summarise the main points in this transistors tutorial section as follows.
A transistor requires a relatively low voltage but high current to drive while mosfets usually require at least 4v if not 10v. So between darlington triple vs mosfet power supplies which one produces better sound and uses less current as far as car audio amps. Both know to be very good sound quality amps.
They have high voltage drop typically 11v minimum whereas a good fet should drop less than 02v poor current carrying capacity and slow switching speed. As a result the mosfet ran a lot cooler a temperature rise of 40 deg f over ambient vs. Having looked at the construction and operation of npn and pnp bipolar junctions transistors bjts as well as field effect transistors fets both junction and insulated gate we can summarise the main points of these transistor.
The load received more power with the irl520 about 8 more since less of it was wasted as heat in the transistor. The emitter of one transistor is connected to the base of the other to produce a more sensitive transistor with a much larger current gain being useful in applications where current amplification or switching is required. One uses a mosfet power the other uses the.
A darlington transistor consists of a pair of transistors in the same package. Thus the saturation voltage of a darlington transistor is one v be about 065 v in silicon higher than a single transistor saturation voltage which is typically 01 02 v in silicon. The voltage is referenced to the source pin so its difficult to get them working on the high side without a mosfet gate driver.
Solenoids Transistors And Mosfets

Amplifiers Output Stage

Darlington Drivers 2n3055 Mj2955 Power Transistors

Using Transistor As A Switch Ermicroblog
Daftar Isi Field Effect Transistor Transistor

Igbt Transistor Basics Characteristics Switching Circuit

Triode Amp Design Cathode Meters

Complementary Transistor Pair With A Bipolar Transistor And

Common Source Wikipedia

Ask Hackaday Dude Where S My Mosfet Hackaday

Transistor Mosfet And Igfet Symbols Electronic Symbols

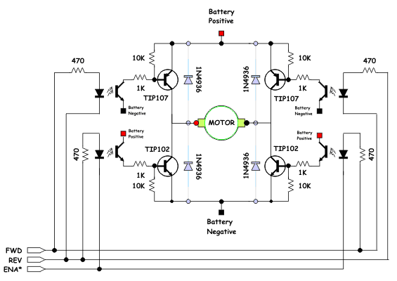
H Bridge
Comments
Post a Comment