How To Test A Cooling Fan Resistor

Pelican Technical Article Mini R53 Cooling Fan Resistor

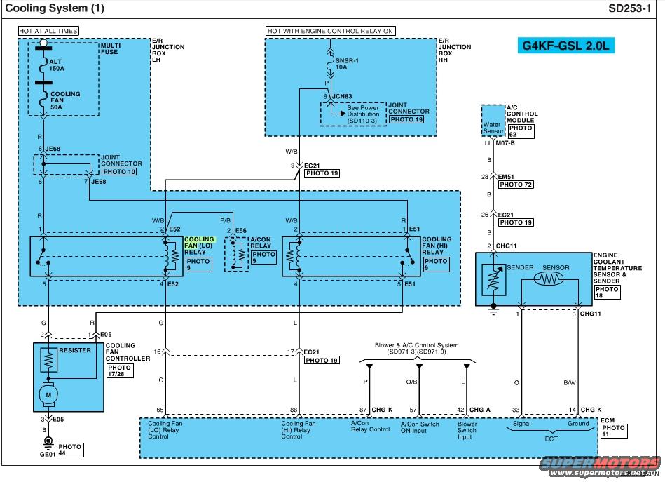
Cooling Fan Operation And Troubleshooting

What Radiator Fan Resistor Is What It Does And Symptoms Of A Bad Radiator Fan Resistor


Radiator Electric Fan Resistor Replacement 318ti Org Forum

E30 Aux Fan Resistor Replacement And The Two Different E30

Radiator Fan Not Going Going To High Hyundai Genesis Forum

P0494 Peugeot Fan Control Unit Fan Module

Radiator Fan Low Speed Not Working Team Bhp

How To Fix A Car Heater How A Car Works

How To Test Radiator Fan Module Control Box

Cooling Fan Operation And Troubleshooting

Usb Load Tester Electronic Load Tester Resistor Module

Low Speed Fan Resistor We Need Solution Page 52 North

2019 15w Usb Discharge Load Discharge Tester Load Resister Resistor Adjustable Current With Cooling Fan Electronic Mobile Power Tester From

Do You Have Ford Blower Motor Resistor Problems Or Another
Comments
Post a Comment